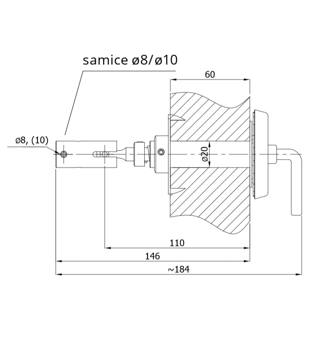
Karl samostatné ovládání komínové klapky nerez
Karl samostatné ovládání komínové klapky nerez
Kouřovody nerezové 1 mm
TECHNICKÁ DATA
- Materiál: nerez
- Těsnost: Díky konstrukci jednotlivých dílů a přesné výrobě nadstandardní těsnost spalinové cesty.
- Otáčení 0–90° aretace v osmi krocích
Montážní příklady ovládání klapek


