Komínová klapka pro krby 180mm
Komínová klapka pro krby 180mm
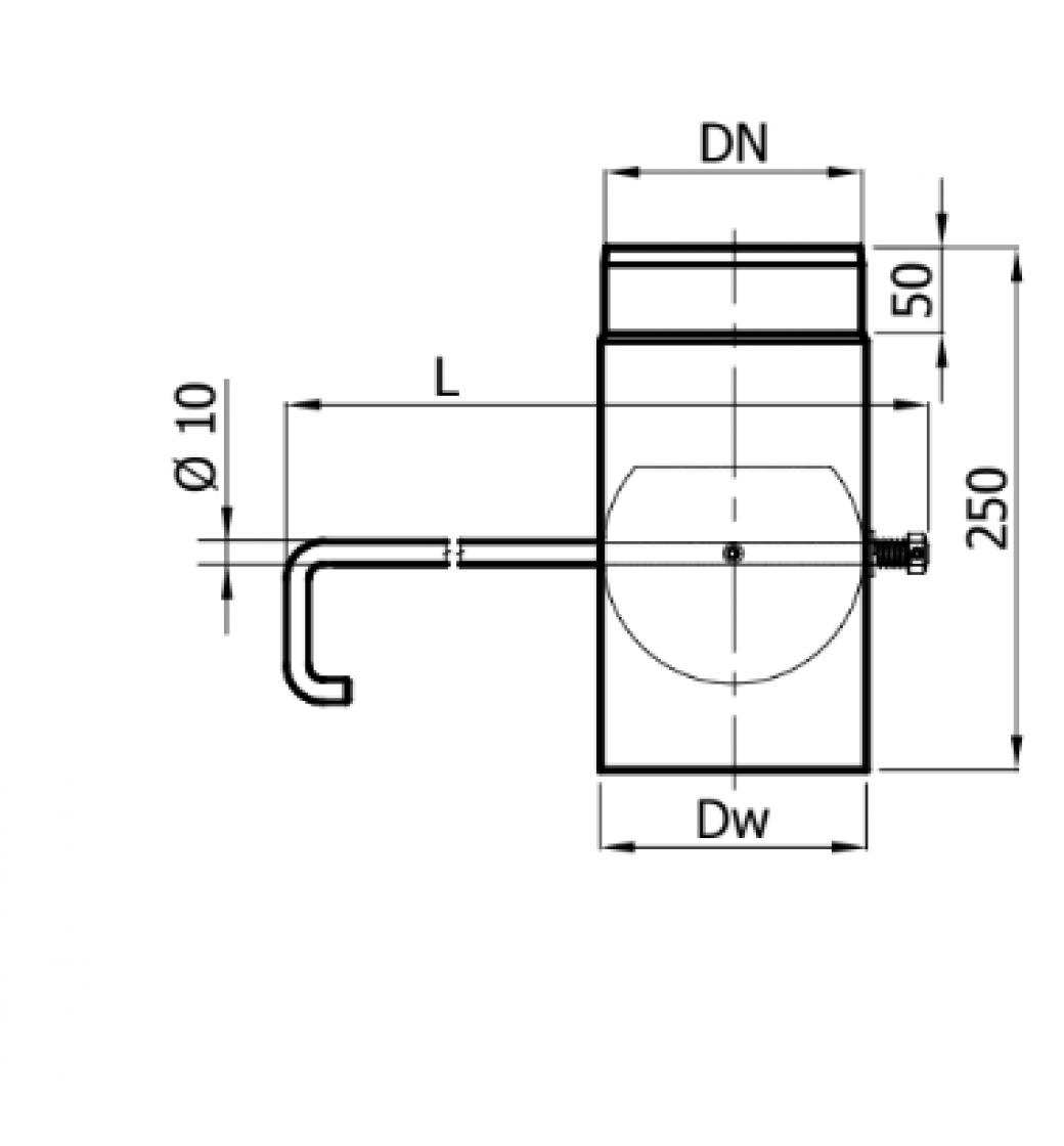
Technická data
Klapka uzavírá na 75 %
Nastavenou polohu klapky udržuje aretační pružina
- Plazmově svářeno- Lakováno senothermním lakem - Certifikát CE (norma EN 1856-2)Kouřovody
Parametry
| Barva: | černá |
|---|---|
| Délka: | 25cm |
| Materiál: | 2 mm ocelový plech |
| Tepelná odolnost: | 1000°C |
| Průměr kouřovodu: | 180 mm |
